芯城品牌采购网 > 品牌资讯 > 技术方案 > 解析功率MOSFET的驱动电感性负载

解析功率MOSFET的驱动电感性负载

芯城品牌采购网

23475

文章介绍了采用表面贴装封装设计LITTLEFOOT®功率MOSFET的过程。它描述了功率MOSFET的驱动电感性负载,公共栅极驱动器以及磁盘驱动器应用以及公共栅极级的驱动电容性负载。

 

Vishay Siliconix的LITTLE FOOT功率MOSFET将强大的功率处理能力封装在纤巧的表面贴装封装中。标准概述的8引脚SOIC封装(图1)具有铜引线框架,可最大程度地提高热传递,同时保持与现有表面贴装技术的完全兼容性。互补的n通道和p通道Si9942DY LITTLE FOOT器件可用于直接驱动电感性负载,例如电动机,螺线管和继电器,或者用作低阻抗缓冲器来驱动较大功率的MOSFET或其他电容性负载。

 

1-1_214.gif

小脚包装尺寸

 
小脚设备在各种低压电动机驱动应用中提供了可测量的优势。在计算机硬盘中,诸如磁道密度,寻道时间和功耗之类的关键特征与主轴电机和磁头致动器驱动电路的效率直接相关。磁盘驱动器必须从计算机系统提供的低压电源(传统上,稳压良好的12 V电源)中获取最大的电动机性能。复杂的全功能便携式计算机的出现带来了电池驱动系统(和5V操作)的新性能期望。
 
Si9942DY还可以在功率转换应用中用作缓冲级,以在现代设计中使用的高频下驱动高电容功率MOSFET栅极。例如,通过使用Si9942DY来缓冲高效CMOS PWM控制器的输出,可以以大于1 MHz的速率有效地切换超过3000 pF的电容负载。这种开关能力极大地扩展了CMOS开关模式IC的输出功率范围。
 
驱动感性负载
 
当使用功率MOSFET驱动感性负载时,否则可能会引起次要关注的几个参数变得非常重要。感性负载的一个特征是反激能量。当电感器驱动电流中断时,除非使用二极管钳位电压并使感性反激电流续流,否则会导致损坏的反激电压。每个功率MOSFET都包含一个快速恢复的本征二极管,可用作感应反激能量的可靠而有效的钳位。在使用MOSFET反向特性时特别重要的是其固有的二极管规格-V SD(反向源极-漏极电压,即二极管正向压降)和t rr(反向恢复时间)。
 
通过二极管钳位环流的反激电流等于电动机电流,该电流在电动机加速或制动期间达到其最大水平。尽管钳位二极管中的功率损耗(V SD乘以再循环电流)仅占占空比的一小部分,但如果正向压降过大,则可能对MOSFET的整体发热做出重大贡献。在MOSFET的最大(连续)正向漏极电流额定值下,每个半桥的n沟道和p沟道器件都规定了最大正向压降1.6V。
 

1-2_717.gif


钳位感应反激能量
 
当驱动器在同一路径中重新启用时,尽管反激电流仍在相对的钳位二极管中循环,但必须在二极管恢复并阻止电压之前进行重新组合(图2)。
 

1-3_327.gif


钳位感应反激能量
 
通用门驱动
 
同时导通的常见原因是将p沟道和n沟道栅极连接在一起并从公共逻辑信号驱动它们。尽管这对于电容性负载或较低电压系统可能是完全可接受的栅极驱动方法,但当以跨接桥的方式驱动12 V的电感性负载时,可能会导致过大的交叉电流。如果栅极被共同驱动,则将得到正确的输出状态。但是,这样做的代价是,当公共栅极电压在大约2 V(n通道阈值电压)和8 V(12 V减去p通道阈值电压)之间转换时,由于两个器件都部分导通而引起的电流尖峰的代价)。
 
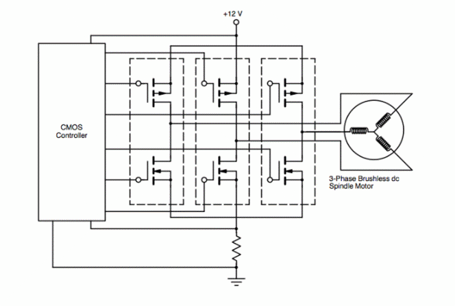
磁盘驱动器应用
 
将双MOSFET与p沟道和n沟道器件配合使用,可以使用最简单的栅极驱动电路,因为两个栅极都可以接地或12 V电源。通常用于驱动主轴电机(图3)或磁头致动器(图4)各相的半桥直接由由相同12 V电源供电的标准CMOSlogic器件的输出直接驱动。尽管CMOS逻辑器件的相对较高的输出阻抗不会足够硬地驱动半桥的电容性栅极以达到最大开关速度,但这种组合将提供足够快的转换速率,从而导致可容忍的开关损耗。用较低阻抗的驱动器驱动功率MOSFET栅极将导致更快的过渡速率并进一步减少开关损耗。然而,设计人员通常被迫在开关损耗和增加的EMI / RFI之间取得平衡。在旋转磁盘驱动器存储器中,这尤其值得关注。
 
1-4_288.gif
12V,三相永磁无刷电动机驱动器
 
1-5_590.gif
12V H桥执行器驱动器
 
潜水电容负载
 
高效CMOS器件是功率MOSFET低损耗功率处理能力的自然补充。但是,CMOS输出具有相对较高的阻抗,而功率MOSFET栅极具有较高的电容性。如果需要高频,则必须使用某种类型的栅极驱动缓冲器。Si9942DY在此应用中将作为CMOS器件的非常低阻抗的互补输出级完美运行。栅极电容很容易由标准CMOS输出驱动,而单级互补对则增加了最小的延迟。


免责声明:
文章内容转自互联网,不代表本站赞同其观点;
如涉及内容、图片、版权等问题,请联系2644303206@qq.com我们将在第一时间删除内容!